| УДК 744:002:006.354 |
Группа Т52 |
МЕЖГОСУДАРСТВЕННЫЙ СТАНДАРТ
Единая система конструкторской документации
|
МКС 01.100.10
ОКСТУ 0002
|
Дата введения 1996-07-01
|
Предисловие
1 РАЗРАБОТАН Всероссийским научно-исследовательским институтом стандартизации и сертификации в машиностроении (ВНИИНМАШ) Госстандарта России
ВНЕСЕН Госстандартом Российской Федерации
2 ПРИНЯТ Межгосударственным Советом по стандартизации, метрологии и сертификации (26 апреля 1995 протокол № 7)
За принятие проголосовали:
|
Наименование государства
|
Наименование национального органа стандартизации
|
|
Азербайджанская Республика
|
Азгосстандарт
|
|
Республика Армения
|
Армгосстандарт
|
|
Республика Беларусь
|
Госстандарт Республики Беларусь
|
|
Грузия
|
Грузстандарт
|
|
Республика Казахстан
|
Госстандарт Республики Казахстан
|
|
Кыргызская Республика
|
Кыргызстандарт
|
|
Республика Молдова
|
Молдовастандарт
|
|
Российская Федерация
|
Госстандарт России
|
|
Республика Таджикистан
|
Таджикстандарт
|
|
Туркменистан
|
Главгосслужба «Туркменстандартлары»
|
|
Республика Узбекистан
|
Узгосстандарт
|
|
Украина
|
Госстандарт Украины
|
3 Постановлением Комитета Российской Федерации по стандартизации, метрологии и сертификации от 8.08.95 № 426 межгосударственный стандарт ГОСТ 2.105-95 введен в действие в качестве государственного стандарта Российской Федерации с 1 июля 1996 г.
4 ВЗАМЕН ГОСТ 2.105-79, ГОСТ 2.906-71
5. ПЕРЕИЗДАНИЕ. Март 2001 г.
1 ОБЛАСТЬ ПРИМЕНЕНИЯ
Настоящий стандарт устанавливает общие требования к выполнению текстовых документов на изделия машиностроения, приборостроения и строительства.
2 НОРМАТИВНЫЕ ССЫЛКИ
В настоящем стандарте использованы ссылки на следующие стандарты:
ГОСТ 2.004-88 ЕСКД. Общие требования к выполнению конструкторских и технологических документов на печатающих и графических устройствах вывода ЭВМ
ГОСТ 2.104-68 ЕСКД. Основные надписи
ГОСТ 2.106-96 ЕСКД. Текстовые документы
ГОСТ 2.109-73 ЕСКД. Основные требования к чертежам
ГОСТ 2.301-68 ЕСКД. Форматы
ГОСТ 2.304-81 ЕСКД. Шрифты чертежные
ГОСТ 2.316-68 ЕСКД. Правила нанесения на чертежах надписей, технических требований и таблиц
ГОСТ 2.321-84 ЕСКД. Обозначения буквенные
ГОСТ 2.503-90 ЕСКД. Правила внесения изменений
ГОСТ 6.38-90* УСД. Система организационно-распорядительной документации. Требования к оформлению документов
ГОСТ 7.32-91 Система стандартов по информации, библиотечному и издательскому делу. Отчет о научно-исследовательской работе. Структура и правила оформления
ГОСТ 8.417-81 ГСИ. Единицы физических величин
ГОСТ 13.1.002-80 Репрография. Микрография. Документы для съемки. Общие требования и нормы
ГОСТ 21.101-97 СПДС. Основные требования к рабочей документации
ГОСТ 28388-89 Система обработки информации. Документы на магнитных носителях данных. Порядок выполнения и обращения
____________
* На территории Российской Федерации действует ГОСТ Р 6.30-97
3 ОБЩИЕ ПОЛОЖЕНИЯ
3.1 Текстовые документы подразделяют на документы, содержащие, в основном, сплошной текст (технические условия, паспорта, расчеты, пояснительные записки, инструкции и т.п.), и документы, содержащие текст, разбитый на графы (спецификации, ведомости, таблицы и т.п.).
3.2 Текстовые документы выполняют на формах, установленных соответствующими стандартами Единой системы конструкторской документации (ЕСКД) и Системы проектной документации для строительства (СПДС).
Требования, специфические для некоторых видов текстовых документов (например эксплуатационных документов), приведены в соответствующих стандартах.
3.3 Подлинники текстовых документов выполняют одним из следующих способов:
- машинописным, при этом следует выполнять требования ГОСТ 13.1.002. Шрифт пишущей машинки должен быть четким, высотой не менее 2,5 мм, лента только черного цвета (полужирная);
- рукописным - чертежным шрифтом по ГОСТ 2.304 с высотой букв и цифр не менее 2,5 мм. Цифры и буквы необходимо писать четко черной тушью;
- с применением печатающих и графических устройств вывода ЭВМ (ГОСТ 2.004).
- на магнитных носителях данных (ГОСТ 28388).
3.4 Копии текстовых документов выполняют одним из следующих способов:
- типографским - в соответствии с требованиями, предъявляемыми к изданиям, изготовляемым типографским способом;
- ксерокопированием - при этом рекомендуется размножать способом двустороннего копирования;
- светокопированием;
- микрофильмированием;
- на магнитных носителях данных.
3.5 Вписывать в текстовые документы, изготовленные машинописным способом, отдельные слова, формулы, условные знаки (рукописным способом), а также выполнять иллюстрации следует черными чернилами, пастой или тушью.
3.6 Расстояние от рамки формы до границ текста в начале и в конце строк - не менее 3 мм.
Расстояние от верхней или нижней строки текста до верхней или нижней рамки должно быть не менее 10 мм.
Абзацы в тексте начинают отступом, равным пяти ударам пишущей машинки (15 - 17 мм).
Пример выполнения текстового документа приведен в приложении А.
3.7 Опечатки, описки и графические неточности, обнаруженные в процессе выполнения документа, допускается исправлять подчисткой или закрашиванием белой краской и нанесением на том же месте исправленного текста (графика) машинописным способом или черными чернилами, пастой или тушью рукописным способом.
Повреждения листов текстовых документов, помарки и следы неполностью удаленного прежнего текста (графика) не допускаются.
После внесения исправлений документ должен удовлетворять требованиям микрофильмирования, установленным ГОСТ 13.1.002.
3.8 Для размещения утверждающих и согласующих подписей к текстовым документам рекомендуется составлять титульный лист и (или) лист утверждения в соответствии с разделом 6 настоящего стандарта.
Обязательность и особенности выполнения титульных листов оговорены в стандартах ЕСКД и СПДС на правила выполнения соответствующих документов.
3.9 К текстовым документам рекомендуется выпускать лист регистрации изменений в соответствии с ГОСТ 2.503 и ГОСТ 21.101.
4 ТРЕБОВАНИЯ К ТЕКСТОВЫМ ДОКУМЕНТАМ, СОДЕРЖАЩИМ, В ОСНОВНОМ, СПЛОШНОЙ ТЕКСТ
4.1 Построение документа
4.1.1. Текст документа при необходимости разделяют на разделы и подразделы.
При большом объеме документа допускается разделять его на части, а части, в случае необходимости, на книги. Каждую часть и книгу комплектуют отдельно. Всем частям дают наименования и присваивают обозначение документа. Начиная со второй части, к этому обозначению добавляют порядковый номер, например:
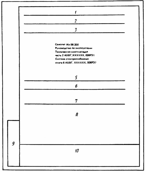
ХХХХ.331112.032Ф0, ХХХХ.331112.032Ф01, ХХХХ.331112.032Ф02, и т.д. Всем книгам дают наименование и присваивают порядковый номер. Пример заполнения поля 4 титульного листа на книгу приведен в приложении Б.
Листы документа нумеруют в пределах каждой части, каждую часть начинают на листах с основной надписью по форме ГОСТ 2.104 и форме 3 ГОСТ Р 21.101.
4.1.2. Разделы должны иметь порядковые номера в пределах всего документа (части, книги), обозначенные арабскими цифрами без точки и записанные с абзацевого отступа. Подразделы должны иметь нумерацию в пределах каждого раздела. Номер подраздела состоит из номеров раздела и подраздела, разделенных точкой. В конце номера подраздела точка не ставится. Разделы, как и подразделы, могут состоять из одного или нескольких пунктов.
4.1.3 Если документ не имеет подразделов, то нумерация пунктов в нем должна быть в пределах каждого раздела, и номер пункта должен состоять из номеров раздела и пункта, разделенных точкой. В конце номера пункта точка не ставится, например:
1 Типы и основные размеры
Нумерация пунктов первого раздела документа
2 Технические требования
Нумерация пунктов второго раздела документа
Если документ имеет подразделы, то нумерация пунктов должна быть в пределах подраздела и номер пункта должен состоять из номеров раздела, подраздела и пункта, разделенных точками, например:
3 Методы испытаний
3.1 Аппараты, материалы и реактивы
Нумерация пунктов первого подраздела третьего раздела документа
3.2 Подготовка к испытанию
Нумерация пунктов второго подраздела третьего раздела документа
4.1.4 Если раздел или подраздел состоит из одного пункта, он также нумеруется.
4.1.5 Если текст документа подразделяется только на пункты, они нумеруются порядковыми номерами в пределах документа.
4.1.6 Пункты, при необходимости, могут быть разбиты на подпункты, которые должны иметь порядковую нумерацию в пределах каждого пункта, например: 4.2.1.1, 4.2.1.2, 4.2.1.3 и т.д.
4.1.7 Внутри пунктов или подпунктов могут быть приведены перечисления.
Перед каждой позицией перечисления следует ставить дефис или при необходимости ссылки в тексте документа на одно из перечислений, строчную букву, после которой ставится скобка. Для дальнейшей детализации перечислений необходимо использовать арабские цифры, после которых ставится скобка, а запись производится с абзацного отступа, как показано в примере.
Пример
а) ______________
б) ______________
1) ______________
2) ______________
в) ______________
4.1.8 Каждый пункт, подпункт и перечисление записывают с абзацного отступа.
4.1.9 Разделы, подразделы должны иметь заголовки. Пункты, как правило, заголовков не имеют.
Заголовки должны четко и кратко отражать содержание разделов, подразделов.
Заголовки следует печатать с прописной буквы без точки в конце, не подчеркивая. Переносы слов в заголовках не допускаются. Если заголовок состоит из двух предложений, их разделяют точкой.
Расстояние между заголовком и текстом при выполнении документа машинописным способом должно быть равно 3,4 интервалам, при выполнении рукописным способом - 15 мм. Расстояние между заголовками раздела и подраздела - 2 интервала, при выполнении рукописным способом - 8 мм.
4.1.10 Каждый раздел текстового документа рекомендуется начинать с нового листа (страницы).
4.1.11 В документе (части, книге) большого объема на первом (заглавном) листе и, при необходимости, на последующих листах помещают содержание, включающее номера и наименования разделов и подразделов с указанием номеров листов (страниц).
Если документ разбит на части (книги), то в конце содержания первой части (книги) перечисляют обозначение и наименование (при наличии) остальных частей (книг). Содержание включают в общее количество листов данного документа (части, книги).
Слово "Содержание" записывают в виде заголовка (симметрично тексту) с прописной буквы. Наименования, включенные в содержание, записывают строчными буквами, начиная с прописной буквы.
4.1.12 В конце текстового документа перед листом регистрации изменений допускается приводить список литературы, которая была использована при его составлении. Выполнение списка и ссылки на него в тексте - по ГОСТ 7.32. Список литературы включают в содержание документа.
4.1.13. Нумерация страниц документа и приложений, входящих в состав этого документа, должна быть сквозная. Допускается вместо сквозной нумерации страниц применять нумерацию страниц в пределах каждого раздела документа следующим образом:
3 15
раздел страница
4.2 Изложение текста документов
4.2.1 Полное наименование изделия на титульном листе, в основной надписи и при первом упоминании в тексте документа должно быть одинаковым с наименованием его в основном конструкторском документе.
В последующем тексте порядок слов в наименовании должен быть прямой, т.е. на первом месте должно быть определение (имя прилагательное), а затем - название изделия (имя существительное); при этом допускается употреблять сокращенное наименование изделия.
Наименования, приводимые в тексте документа и на иллюстрациях, должны быть одинаковыми.
4.2.2 Текст документа должен быть кратким, четким и не допускать различных толкований.
При изложении обязательных требований в тексте должны применяться слова "должен", "следует", "необходимо", "требуется, чтобы", "разрешается только", "не допускается", "запрещается", "не следует". При изложении других положений следует применять слова - "могут быть", "как правило", "при необходимости", "может быть", "в случае" и т.д.
При этом допускается использовать повествовательную форму изложения текста документа, например "применяют", "указывают" и т.п.
В документах должны применяться научно-технические термины, обозначения и определения, установленные соответствующими стандартами, а при их отсутствии - общепринятые в научно-технической литературе.
Если в документе принята специфическая терминология, то в конце его (перед списком литературы) должен быть перечень принятых терминов с соответствующими разъяснениями. Перечень включают в содержание документа.
4.2.3 В тексте документа не допускается:
- применять обороты разговорной речи, техницизмы, профессионализмы;
- применять для одного и того же понятия различные научно-технические термины, близкие по смыслу (синонимы), а также иностранные слова и термины при наличии равнозначных слов и терминов в русском языке;
- применять произвольные словообразования;
- применять сокращения слов, кроме установленных правилами русской орфографии, соответствующими государственными стандартами, а также в данном документе;
- сокращать обозначения единиц физических величин, если они употребляются без цифр, за исключением единиц физических величин в головках и боковиках таблиц, и в расшифровках буквенных обозначений, входящих в формулы и рисунки.
4.2.4 В тексте документа, за исключением формул, таблиц и рисунков, не допускается:
- применять математический знак минус (¾) перед отрицательными значениями величин (следует писать слово "минус");
- применять знак "Æ" для обозначения диаметра (следует писать слово "диаметр"). При указании размера или предельных отклонений диаметра на чертежах, помещенных в тексте документа, перед размерным числом следует писать знак "Æ";
- применять без числовых значений математические знаки, например > (больше), < (меньше), = (равно), ³ (больше или равно), £ (меньше или равно), ¹ (не равно), а также знаки № (номер), % (процент);
- применять индексы стандартов, технических условий и других документов без регистрационного номера.
4.2.5 Если в документе приводятся поясняющие надписи, наносимые непосредственно на изготовляемое изделие (например на планки, таблички к элементам управления и т.п.), их выделяют шрифтом (без кавычек), например ВКЛ., OTKЛ., или кавычками - если надпись состоит из цифр и (или) знаков.
Наименования команд, режимов, сигналов и т.п. в тексте следует выделять кавычками, например, "Сигнал +27 включено".
4.2.6 Перечень допускаемых сокращений слов установлен в ГОСТ 2.316.
Если в документе принята особая система сокращения слов или наименований, то в нем должен быть приведен перечень принятых сокращений, который помещают в конце документа перед перечнем терминов.
4.2.7 Условные буквенные обозначения, изображения или знаки должны соответствовать принятым в действующем законодательстве и государственных стандартах. В тексте документа перед обозначением параметра дают его пояснение, например "Временное сопротивление разрыву sв".
При необходимости применения условных обозначений, изображений или знаков, не установленных действующими стандартами, их следует пояснять в тексте или в перечне обозначений.
4.2.8 В документе следует применять стандартизованные единицы физических величин, их наименования и обозначения в соответствии с ГОСТ 8.417.
Наряду с единицами СИ, при необходимости, в скобках указывают единицы ранее применявшихся систем, разрешенных к применению. Применение в одном документе разных систем обозначения физических величин не допускается.
4.2.9 В тексте документа числовые значения величин с обозначением единиц физических величин и единиц счета следует писать цифрами, а числа без обозначения единиц физических величин и единиц счета от единицы до девяти - словами.
Примеры
1 Провести испытания пяти труб, каждая длиной 5 м.
2 Отобрать 15 труб для испытаний на давление.
4.2.10 Единица физической величины одного и того же параметра в пределах одного документа должна быть постоянной. Если в тексте приводится ряд числовых значений, выраженных в одной и той же единице физической величины, то ее указывают только после последнего числового значения, например 1,50; 1,75; 2,00 м.
4.2.11 Если в тексте документа приводят диапазон числовых значений физической величины, выраженных в одной и той же единице физической величины, то обозначение единицы физической величины указывается после последнего числового значения диапазона.
Примеры
1 От 1 до 5 мм.
2 От 10 до 100 кг.
3 От плюс 10 до минус 40°С.
От плюс 10 до плюс 40°С.
Недопустимо отделять единицу физической величины от числового значения (переносить их на разные строки или страницы), кроме единиц физических величин, помещаемых в таблицах, выполненных машинописным способом.
4.2.12 Приводя наибольшие или наименьшие значения величин, следует применять словосочетание "должно быть не более (не менее)".
Приводя допустимые значения отклонений от указанных норм, требований, следует применять словосочетание "не должно быть более (менее)".
Например, массовая доля углекислового натрия в технической кальцинированной соде должна быть не менее 99,4 %.
4.2.13 Числовые значения величин в тексте следует указывать со степенью точности, которая необходима для обеспечения требуемых свойств изделия, при этом в ряду величин осуществляется выравнивание числа знаков после запятой.
Округление числовых значений величин до первого, второго, третьего и т.д. десятичного знака для различных типоразмеров, марок и т.п. изделий одного наименования должно быть одинаковым. Например, если градация толщины стальной горячекатаной ленты 0,25 мм, то весь ряд толщин ленты должен быть указан с таким же количеством десятичных знаков, например 1,50; 1,75; 2,00.
4.2.14 Дробные числа необходимо приводить в виде десятичных дробей, за исключением размеров в дюймах, которые следует записывать 1/4"; 1/2" (но не , ).
При невозможности выразить числовое значение в виде десятичной дроби, допускается записывать в виде простой дроби в одну строчку через косую черту, например, 5/32; (50А-4C)/(40В+20).
4.2.15 В формулах в качестве символов следует применять обозначения, установленные соответствующими государственными стандартами. Пояснения символов и числовых коэффициентов, входящих в формулу, если они не пояснены ранее в тексте, должны быть приведены непосредственно под формулой. Пояснения каждого символа следует давать с новой строки в той последовательности, в которой символы приведены в формуле. Первая строка пояснения должна начинаться со слова "где" без двоеточия после него.
Пример - Плотность каждого образца r, кг/м3, вычисляют по формуле
, (1)
где m - масса образца, кг;
V - объем образца, м3.
Формулы, следующие одна за другой и не разделенные текстом, разделяют запятой.
4.2.16 Переносить формулы на следующую строку допускается только на знаках выполняемых операций, причем знак в начале следующей строки повторяют. При переносе формулы на знаке умножения применяют знак "х".
4.2.17 В документах, издаваемых нетипографским способом, формулы могут быть выполнены машинописным, машинным способами или чертежным шрифтом высотой не менее 2,5 мм. Применение машинописных и рукописных символов в одной формуле не допускается.
4.2.18 Формулы, за исключением формул, помещаемых в приложении, должны нумероваться сквозной нумерацией арабскими цифрами, которые записывают на уровне формулы справа в круглых скобках. Одну формулу обозначают - (1).
Ссылки в тексте на порядковые номера формул дают в скобках, например, ... в формуле (1).
Формулы, помещаемые в приложениях, должны нумероваться отдельной нумерацией арабскими цифрами в пределах каждого приложения с добавлением перед каждой цифрой обозначения приложения, например формула (В.1).
Допускается нумерация формул в пределах раздела. В этом случае номер формулы состоит из номера раздела и порядкового номера формулы, разделенных точкой, например (3.1).
4.2.19 Порядок изложения в документах математических уравнений такой же, как и формул.
4.2.20 Примечания приводят в документах, если необходимы пояснения или справочные данные к содержанию текста, таблиц или графического материала.
Примечания не должны содержать требований.
4.2.21 Примечания следует помещать непосредственно после текстового, графического материала или в таблице, к которым относятся эти примечания, и печатать с прописной буквы с абзаца. Если примечание одно, то после слова "Примечание" ставится тире и примечание печатается тоже с прописной буквы. Одно примечание не нумеруют. Несколько примечаний нумеруют по порядку арабскими цифрами. Примечание к таблице помещают в конце таблицы над линией, обозначающей окончание таблицы.
Примеры
Примечание - ___________________________________________________________________
_______________________________________________________________________________
Примечания
1 ______________________________________________________________________________
2 ______________________________________________________________________________
4.2.22 В текстовом документе допускаются ссылки на данный документ, стандарты, технические условия и другие документы при условии, что они полностью и однозначно определяют соответствующие требования и не вызывают затруднений в пользовании документом.
Ссылки на стандарты предприятий (СТП) и другую техническую документацию должны быть оговорены в договоре на разработку изделия.
Ссылаться следует на документ в целом или его разделы и приложения. Ссылки на подразделы, пункты, таблицы и иллюстрации не допускаются, за исключением подразделов, пунктов, таблиц и иллюстраций данного документа.
При ссылках на стандарты и технические условия указывают только их обозначение, при этом допускается не указывать год их утверждения при условии записи обозначения с годом утверждения в конце текстового документа под рубрикой «ССЫЛОЧНЫЕ НОРМАТИВНЫЕ ДОКУМЕНТЫ» по форме:
|
Обозначение документа, на который дана ссылка
|
Номер раздела, подраздела, пункта, подпункта, перечисления, приложения, разрабатываемого документа, в котором дана ссылка
|
|
|
|
При ссылках на другие документы в графе "Обозначение документа" указывают также и наименование документа. При ссылках на раздел или приложение указывают его номер.
4.3 Оформление иллюстраций и приложений
4.3.1 Количество иллюстраций должно быть достаточным для пояснения излагаемого текста. Иллюстрации могут быть расположены как по тексту документа (возможно ближе к соответствующим частям текста), так и в конце его. Иллюстрации должны быть выполнены в соответствии с требованиями стандартов ЕСКД и СПДС. Иллюстрации, за исключением иллюстраций приложений, следует нумеровать арабскими цифрами сквозной нумерацией. Если рисунок один, то он обозначается "Рисунок 1".
Иллюстрации каждого приложения обозначают отдельной нумерацией арабскими цифрами с добавлением перед цифрой обозначения приложения. Например - Рисунок А.3.
Допускается нумеровать иллюстрации в пределах раздела. В этом случае номер иллюстрации состоит из номера раздела и порядкового номера иллюстрации, разделенных точкой. Например - Рисунок 1.1.
При ссылках на иллюстрации следует писать "... в соответствии с рисунком 2" при сквозной нумерации и "... в соответствии с рисунком 1.2" при нумерации в пределах раздела.
Иллюстрации, при необходимости, могут иметь наименование и пояснительные данные (подрисуночный текст). Слово "Рисунок" и наименование помещают после пояснительных данных и располагают следующим образом: Рисунок 1 - Детали прибора.
4.3.2 Если в тексте документа имеется иллюстрация, на которой изображены составные части изделия, то на этой иллюстрации должны быть указаны номера позиций этих составных частей в пределах данной иллюстрации, которые располагают в возрастающем порядке, за исключением повторяющихся позиций, а для электро- и радиоэлементов - позиционные обозначения, установленные в схемах данного изделия.
Исключение составляют электро- и радиоэлементы, являющиеся органами регулировки или настройки, для которых (кроме номера позиции) дополнительно указывают в подрисуночном тексте назначение каждой регулировки и настройки, позиционное обозначение и надписи на соответствующей планке или панели.
Допускается, при необходимости, номер, присвоенный составной части изделия на иллюстрации, сохранять в пределах документа.
Для схем расположения элементов конструкций и архитектурно-строительных чертежей зданий (сооружений) указывают марки элементов.
При ссылке в тексте на отдельные элементы деталей (отверстия, пазы, канавки, буртики и др.) их обозначают прописными буквами русского алфавита.
Указанные данные наносят на иллюстрациях согласно ГОСТ 2.109.
4.3.3 На приводимых в документе электрических схемах около каждого элемента указывают его позиционное обозначение, установленное соответствующими стандартами, и при, необходимости, номинальное значение величины.
4.3.4 Материал, дополняющий текст документа, допускается помещать в приложениях. Приложениями могут быть, например, графический материал, таблицы большого формата, расчеты, описания аппаратуры и приборов, описания алгоритмов и программ задач, решаемых на ЭВМ и т.д.
Приложение оформляют как продолжение данного документа на последующих его листах или выпускают в виде самостоятельного документа.
4.3.5 Приложения могут быть обязательными и информационными.
Информационные приложения могут быть рекомендуемого или справочного характера.
4.3.6 В тексте документа на все приложения должны быть даны ссылки. Степень обязательности приложений при ссылках не указывается. Приложения располагают в порядке ссылок на них в тексте документа, за исключением информационного приложения "Библиография", которое располагают последним.
4.3.7 Каждое приложение следует начинать с новой страницы с указанием наверху посередине страницы слова "Приложение" и его обозначения, а под ним в скобках для обязательного приложения пишут слово "обязательное", а для информационного - "рекомендуемое" или "справочное".
Приложение должно иметь заголовок, который записывают симметрично относительно текста с прописной буквы отдельной строкой.
4.3.8 Приложения обозначают заглавными буквами русского алфавита, начиная с А, за исключением букв Ё, З, Й, О, Ч, Ь, Ы, Ъ. После слова "Приложение" следует буква, обозначающая его последовательность.
Допускается обозначение приложений буквами латинского алфавита, за исключением букв I и О.
В случае полного использования букв русского и латинского алфавитов допускается обозначать приложения арабскими цифрами.
Если в документе одно приложение, оно обозначается "Приложение А".
4.3.9 Приложения, как правило, выполняют на листах формата А4. Допускается оформлять приложения на листах формата A3, А4х3, А4х4, А2 и А1 по ГОСТ 2.301.
4.3.10 Текст каждого приложения, при необходимости, может быть разделен на разделы, подразделы, пункты, подпункты, которые нумеруют в пределах каждого приложения. Перед номером ставится обозначение этого приложения.
Приложения должны иметь общую с остальной частью документа сквозную нумерацию страниц.
4.3.11 Все приложения должны быть перечислены в содержании документа (при наличии) с указанием их номеров и заголовков.
4.3.12 Приложения, выпускаемые в виде самостоятельного документа, оформляют по общим правилам - первый лист с основной надписью по форме 2, последующие листы - по форме 2а по ГОСТ 2.104, ГОСТ 21.101.
При необходимости такое приложение может иметь "Содержание".
4.3.13 Приложениям или книгам, выпущенным в виде самостоятельного документа, обозначение присваивают как части документа с указанием в коде документа ее порядкового номера. Если приложение или книга имеют титульный лист, то на нем под наименованием документа указывают слово "Приложение" и его обозначение в случае двух и более приложений, например "Приложение Б" или "Книга" и ее порядковый номер, например "Книга 6".
4.3.14 Допускается в качестве приложения к документу использовать другие самостоятельно выпущенные конструкторские документы (габаритные чертежи, схемы и др.).
Документ, включая документ, к которому выпускаются приложения, комплектуют в альбом с составлением к нему описи альбома. Описи присваивают обозначение изделия, для которого разработан основной документ, и код ОП.
Опись составляют по форме 4 и 4а ГОСТ 2.106. Первым в нее записывают документ, для которого в качестве приложения применены другие конструкторские документы. Далее документы записывают в порядке их комплектования в альбом. При необходимости к альбому документов составляют титульный лист.
4.4 Построение таблиц
4.4.1 Таблицы применяют для лучшей наглядности и удобства сравнения показателей. Название таблицы, при его наличии, должно отражать ее содержание, быть точным, кратким. Название следует помещать над таблицей.
При переносе части таблицы на ту же или другие страницы название помещают только над первой частью таблицы.
Цифровой материал, как правило, оформляют в виде таблиц в соответствии с рисунком 1.
Рисунок 1
4.4.2 Таблицы, за исключением таблиц приложений, следует нумеровать арабскими цифрами сквозной нумерацией.
Таблицы каждого приложения обозначают отдельной нумерацией арабскими цифрами с добавлением перед цифрой обозначения приложения. Если в документе одна таблица, она должна быть обозначена "Таблица 1" или "Таблица В.1", если она приведена в приложении В.
Допускается нумеровать таблицы в пределах раздела. В этом случае номер таблицы состоит из номера раздела и порядкового номера таблицы, разделенных точкой.
4.4.3 На все таблицы документа должны быть приведены ссылки в тексте документа, при ссылке следует писать слово "таблица" с указанием ее номера.
4.4.4 Заголовки граф и строк таблицы следует писать с прописной буквы, а подзаголовки граф - со строчной буквы, если они составляют одно предложение с заголовком, или с прописной буквы, если они имеют самостоятельное значение. В конце заголовков и подзаголовков таблиц точки не ставят. Заголовки и подзаголовки граф указывают в единственном числе.
4.4.5 Таблицы слева, справа и снизу, как правило, ограничивают линиями.
Разделять заголовки и подзаголовки боковика и граф диагональными линиями не допускается.
Горизонтальные и вертикальные линии, разграничивающие строки таблицы, допускается не проводить, если их отсутствие не затрудняет пользование таблицей.
Заголовки граф, как правило, записывают параллельно строкам таблицы. При необходимости допускается перпендикулярное расположение заголовков граф.
Головка таблицы должна быть отделена линией от остальной части таблицы.
Высота строк таблицы должна быть не менее 8 мм.
4.4.6 Таблицу, в зависимости от ее размера, помещают под текстом, в котором впервые дана ссылка на нее, или на следующей странице, а при необходимости, в приложении к документу.
Допускается помещать таблицу вдоль длинной стороны листа документа.
4.4.7 Если строки или графы таблицы выходят за формат страницы, ее делят на части, помещая одну часть под другой или рядом, при этом в каждой части таблицы повторяют ее головку и боковик. При делении таблицы на части допускается ее головку или боковик заменять соответственно номером граф и строк. При этом нумеруют арабскими цифрами графы и (или) строки первой части таблицы.
Слово "Таблица" указывают один раз слева над первой частью таблицы, над другими частями пишут слова "Продолжение таблицы" с указанием номера (обозначения) таблицы в соответствии с рисунком 2.
Таблица...
В миллиметрах
|
Номинальный
|
Внутренний
|
Толщина шайбы
|
|
диаметр резьбы болта,
|
диаметр
|
легкой
|
нормальной
|
тяжелой
|
|
винта, шпильки
|
шайбы
|
a
|
b
|
a
|
b
|
a
|
b
|
|
2,0
|
2,1
|
0,5
|
0,8
|
0,5
|
0,5
|
-
|
-
|
|
2,5
|
2,6
|
0,6
|
0,8
|
0,6
|
0,6
|
-
|
-
|
|
3,0
|
3,1
|
0,8
|
1,0
|
0,8
|
0,8
|
1,0
|
1,2
|
Продолжение таблицы
В миллиметрах
|
Номинальный
|
Внутренний
|
Толщина шайбы
|
|
диаметр резьбы болта,
|
диаметр
|
легкой
|
нормальной
|
тяжелой
|
|
винта, шпильки
|
шайбы
|
a
|
b
|
a
|
b
|
a
|
b
|
|
4,0
|
4,1
|
1,0
|
1,2
|
1,0
|
1,2
|
1,2
|
1,6
|
|
...
|
...
|
...
|
...
|
...
|
...
|
...
|
...
|
|
...
|
...
|
...
|
...
|
...
|
...
|
...
|
...
|
|
42,0
|
42,5
|
-
|
-
|
9,0
|
9,0
|
-
|
-
|
Примечание - Здесь (и далее по тексту) таблицы приведены условно для иллюстрации соответствующих требований настоящего стандарта.
Рисунок 2
Если в конце страницы таблица прерывается и ее продолжение будет на следующей странице, в первой части таблицы нижнюю горизонтальную линию, ограничивающую таблицу, не проводят.
Таблицы с небольшим количеством граф допускается делить на части и помещать одну часть рядом с другой на одной странице, при этом повторяют головку таблицы в соответствии с рисунком 3. Рекомендуется разделять части таблицы двойной линией или линией толщиной 2s.
Таблица ...
|
Диаметр стержня крепежной детали, мм
|
Масса 1000 шт. стальных шайб, кг
|
Диаметр стержня крепежной детали, мм
|
Масса 1000 шт. стальных шайб, кг
|
|
1,1
|
0,045
|
2,0
|
0,192
|
|
1,2
|
0,043
|
2,5
|
0,350
|
|
1,4
|
0,111
|
3,0
|
0,553
|
Рисунок 3
4.4.8 Графу "Номер по порядку" в таблицу включать не допускается. Нумерация граф таблицы арабскими цифрами допускается в тех случаях, когда в тексте документа имеются ссылки на них, при делении таблицы на части, а также при переносе части таблицы на следующую страницу в соответствии с рисунком 4.
Таблица ...
Размеры в миллиметрах
|
Условный проход Dy
|
D
|
L
|
L1
|
L2
|
Масса, кг, не более
|
|
1
|
2
|
3
|
4
|
5
|
6
|
|
50
|
160
|
130
|
525
|
600
|
160
|
|
80
|
195
|
210
|
|
|
170
|
Рисунок 4
При необходимости нумерация показателей, параметров или других данных порядковые номера следует указывать в первой графе (боковике) таблицы непосредственно перед их наименованием в соответствии с рисунком 5. Перед числовыми значениями величин и обозначением типов, марок и т.п. порядковые номера не проставляют.
Таблица...
|
Наименование показателя
|
Значение
|
|
|
в режиме 1
|
в режиме 2
|
|
1 Ток коллектора, А
|
5, не менее
|
7, не более
|
|
2. Напряжение на коллекторе, В
|
-
|
-
|
|
3.Сопротивление нагрузки коллектора, Ом
|
-
|
-
|
Рисунок 5
4.4.9 Если все показатели, приведенные в графах таблицы, выражены в одной и той же единице физической величины, то ее обозначение необходимо помещать над таблицей справа, а при делении таблицы на части - над каждой ее частью в соответствии с рисунком 2.
Если в большинстве граф таблицы приведены показатели, выраженные в одних и тех же единицах физических величин (например в миллиметрах, вольтах), но имеются графы с показателями, выраженными в других единицах физических величин, то над таблицей следует писать наименование преобладающего показателя и обозначение его физической величины, например, "Размеры в миллиметрах", "Напряжение в вольтах", а в подзаголовках остальных граф приводить наименование показателей и (или) обозначения других единиц физических величин в соответствии с рисунком 4.
Для сокращения текста заголовков и подзаголовков граф отдельные понятия заменяют буквенными обозначениями, установленными ГОСТ 2.321, или другими обозначениями, если они пояснены в тексте или приведены на иллюстрациях, например D - диаметр, Н - высота, L - длина.
Показатели с одним и тем же буквенным обозначением группируют последовательно в порядке возрастания индексов в соответствии с рисунком 4.
4.4.10 Ограничительные слова "более", "не более", "менее", "не менее" и др. должны быть помещены в одной строке или графе таблицы с наименованием соответствующего показателя после обозначения его единицы физической величины, если они относятся ко всей строке или графе. При этом после наименования показателя перед ограничительными словами ставится запятая в соответствии с рисунками 4 и 5.
4.4.11 Обозначение единицы физической величины, общей для всех данных в строке, следует указывать после ее наименования в соответствии с рисунком 5. Допускается при необходимости выносить в отдельную строку (графу) обозначение единицы физической величины.
4.4.12 Если в графе таблицы помещены значения одной и той же физической величины, то обозначение единицы физической величины указывают в заголовке (подзаголовке) этой графы в соответствии с рисунком 6. Числовые значения величин, одинаковые для нескольких строк, допускается указывать один раз в соответствии с рисунками 4 и 6.
Таблица...
|
Тип изолятора
|
Номинальное напряжение, В
|
Номинальный ток, А
|
|
ПНР-6/400
|
|
400
|
|
ПНР-6/800
|
6
|
800
|
|
ПНР-6/900
|
|
900
|
Рисунок 6
Если числовые значения величин в графах таблицы выражены в разных единицах физической величины, их обозначения указывают в подзаголовке каждой графы.
Обозначения, приведенные в заголовках граф таблицы, должны быть пояснены в тексте или графическом материале документа.
4.4.13 Обозначения единиц плоского угла следует указывать не в заголовках граф, а в каждой строке таблицы как при наличии горизонтальных линий, разделяющих строки в соответствии с рисунком 7, так и при отсутствии горизонтальных линий в соответствии с рисунком 8.
|
Таблица...
|
|
Таблица...
|
|
a
|
b
|
|
a
|
b
|
|
3°5'30"
|
6°30'
|
|
3°5'30"
|
6°30'
|
|
4°23'50"
|
8°26'
|
|
4°23'50"
|
8°26'
|
|
5°30'20"
|
10° 30'
|
|
5°30'20"
|
10° 30'
|
|
Рисунок 7
|
|
Рисунок 8
|
4.4.14 Предельные отклонения, относящиеся ко всем числовым значениям величин, помещенным в одной графе, указывают в головке таблицы под наименованием или обозначением показателя в соответствии с рисунком 9.
Таблица....
В миллиметрах
|
Диаметр резьбы d
|
S ± 0,2
|
H ± 0,3
|
h ± 0,2
|
b ± 0,2
|
Условный диаметр шплинта d1
|
|
4
|
7,0
|
5,0
|
5,2
|
1,2
|
1,0
|
|
5
|
8,0
|
6,0
|
4,0
|
1,4
|
1,2
|
|
6
|
10,0
|
7,5
|
5,0
|
2,0
|
1,6
|
Рисунок 9
4.4.15 Предельные отклонения, относящиеся к нескольким числовым значениям величин или к определенному числовому значению величины, указывают в отдельной графе в соответствии с рисунком 10.
4.4.16 Текст, повторяющийся в строках одной и той же графы и состоящий из одиночных слов, чередующихся с цифрами, заменяют кавычками в соответствии с рисунком 11. Если повторяющийся текст состоит из двух и более слов, при первом повторении его заменяют словами "То же", а далее - кавычками в соответствии с рисунком 12. Если предыдущая фраза является частью последующей, то допускается заменить ее словами "То же" и добавить дополнительные сведения.
При наличии горизонтальных линий текст необходимо повторять.
Таблица...
В миллиметрах
|
Наружный
|
Канавка
|
|
Установочное кольцо
|
|
диаметр
|
D1
|
A
|
|
|
D2
|
H
|
|
|
r2
|
|
подшипника
|
Номин.
|
Пред. откл.
|
Номин.
|
Пред. откл.
|
B
|
r
|
|
Номин.
|
Пред. откл.
|
C
|
P
|
Номин.
|
Пред. откл.
|
|
30
|
23,2
|
|
|
|
|
|
34,6
|
|
|
|
|
|
|
|
32
|
30,2
|
|
|
|
|
|
34,6
|
|
|
|
|
|
|
|
35
|
33,2
|
0,25
|
2,05
|
-0,15
|
1,3
|
0,40
|
39,6
|
3,2
|
-0,15
|
1,1
|
0,6
|
0,4
|
- 0,1
|
|
37
|
34,8
|
|
|
|
|
|
41,2
|
|
|
|
|
|
|
|
40
|
38,1
|
|
|
|
|
|
44,5
|
|
|
|
|
|
|
|
42
|
39,8
|
|
|
|
|
|
45,2
|
|
|
|
|
|
|
Рисунок 10
Таблица...
В миллиметрах
|
Диаметр зенкера
|
C
|
C1
|
R
|
h
|
h1
|
S
|
S1
|
|
От 10 до 11 включ.
|
3,17
|
-
|
-
|
3,00
|
0,25
|
1,00
|
-
|
|
Св. 11 " 12 "
|
4,85
|
0,14
|
0,14
|
3,84
|
-
|
1,60
|
6,75
|
|
" 12 " 14 "
|
5,50
|
4,20
|
4,20
|
7,45
|
1,45
|
2,00
|
6,90
|
Рисунок 11
Таблица ...
|
Марки стали и сплава
|
Назначение
|
|
Новое обозначение
|
Старое обозначение
|
|
|
08Х18Н10
|
0Х8Н10
|
Трубы, детали печной арматуры, теплообменники, патрубки, муфели, реторты и коллекторы выхлопных систем, электроды искровых зажигательных свечей
|
|
08Х18Н10Т
|
0Х18Н10Т
|
То же
|
|
12Х18Н10Т
|
Х18Н10Т
|
"
|
|
09Х15Н810
|
Х15Н910
|
Для изделий, работающих в атмосферных условиях
|
|
07Х6Н6
|
Х16Н6
|
То же. Не имеет дельтаферрита
|
Рисунок 12
4.4.17 Заменять кавычками повторяющиеся в таблице цифры, математические знаки, знаки процента и номера, обозначение марок материалов и типоразмеров изделий, обозначения нормативных документов не допускается.
4.4.18 При отсутствии отдельных данных в таблице следует ставить прочерк (тире) в соответствии с рисунком 11.
4.4.19 При указании в таблицах последовательных интервалов чисел, охватывающих все числа ряда, их следует записывать: "От ... до ... включ.", "Св. ... до ... включ." в соответствии с рисунком 11.
В интервале, охватывающем числа ряда, между крайними числами ряда в таблице допускается ставить тире в соответствии с рисунком 13.
Таблица...
|
Наименование материала
|
Температура плавления, К(° С)
|
|
Латунь
|
1 131 - 1 173 (858-900)
|
|
Сталь
|
1 573 - 1 673 (1 300-1 400)
|
|
Чугун
|
1 373 - 1 473 (1 100-1 200)
|
Рисунок 13
Интервалы чисел в тексте записывают со словами "от" и "до" (имея в виду "От ... до ... включительно"), если после чисел указана единица физической величины или числа, представляют безразмерные коэффициенты, или через дефис, если числа представляют порядковые номера.
Примеры
1 ... толщина слоя должна быть от 0,5 до 20 мм.
27 - 12, рисунок 1 - 14
4.4.20 В таблицах при необходимости применяют ступенчатые полужирные линии для выделения диапазона, отнесенного к определенному значению, объединения позиций в группы и указания предпочтительных числовых значений показателей, которые обычно расположены внутри ступенчатой линии, или для указания, к каким значениям граф и строк относятся определенные отклонения, в соответствии с рисунком 14. При этом в тексте должно быть приведено пояснение этих линий.
Таблица ...
|
Наружный
|
Масса 1 м трубы, кг, при толщине стенки, мм
|
|
|
диаметр, мм
|
3,0
|
3,5
|
4,0
|
4,5
|
5,0
|
5,5
|
6,0
|
6,5
|
|
32
|
2,146
|
2,460
|
2,762
|
3,052
|
3,329
|
3,594
|
3,947
|
4,316
|
|
38
|
2,589
|
2,978
|
3,354
|
3,718
|
4,069
|
4,408
|
4,735
|
5,049
|
|
42
|
2,885
|
3,323
|
3,749
|
4,162
|
4,652
|
4,951
|
5,327
|
5,690
|
|
45
|
3,071
|
3,582
|
4,044
|
4,495
|
4,932
|
5,358
|
5,771
|
6,171
|
|
50
|
3,474
|
4,014
|
4,538
|
5,049
|
5,049
|
6,036
|
6,511
|
6,972
|
|
54
|
3,773
|
4,359
|
4,932
|
5,493
|
6,042
|
6,578
|
7,104
|
7,613
|
Рисунок 14
4.4.21 Числовое значение показателя проставляют на уровне последней строки наименования показателя в соответствии с рисунком 15.
Таблица...
В метрах
Наименование |
Значение для экскаватора, типа
|
|
показателя
|
ЭКЛ 1,2
|
ЭКО 1,7
|
ЭКО 1,2
|
ЭКО 2,0
|
ЭКО 3,0
|
|
Глубина копания, не менее
|
1,29
|
1,70
|
1,2*
|
2,0*
|
3,0*
|
|
Ширина копания
|
0,25
|
-
|
0,4; 0,6; 0,8
|
0,6**; 0,9; 1,0
|
1,5; 2,0; 2,5
|
|
_____________
* При наименьшем коэффициенте заполнения.
** Для экскаваторов на тракторе Т-130
|
Рисунок 15
Значение показателя, приведенное в виде текста, записывают на уровне первой строки наименования показателя в соответствии с рисунком 16.
Таблица...
|
Наименование показателя
|
Значение
|
Метод испытаний
|
|
1. Внешний вид полиэтиленовой пленки
|
Гладкая, однородная, с равнообрезанными краями
|
По 5.2
|
|
2 Разрушающее напряжение при растяжении, МПА (кгс/мм2)
|
12,8 (1,3)
|
По ГОСТ 14236
|
Рисунок 16
4.4.22 Цифры в графах таблиц должны проставляться так, чтобы разряды чисел во всей графе были расположены один под другим, если они относятся к одному показателю. В одной графе должно быть соблюдено, как правило, одинаковое количество десятичных знаков для всех значений величин.
4.4.23 При необходимости указания в таблице предпочтительности применения определенных числовых значений величин или типов (марок и т.п.) изделий допускается применять условные отметки с пояснением их в тексте документа.
Для выделения предпочтительной номенклатуры или ограничения применяемых числовых величин или типов (марок и т.п.) изделий допускается заключать в скобки те значения, которые не рекомендуются к применению или имеют ограничительное применение, указывая в примечании значение скобок в соответствии с рисунком 17.
Таблица....
В миллиметрах
|
Длина винта
|
|
Номин.
|
Пред. откл.
|
|
(18)
|
± 0,43
|
|
20
|
|
|
(21)
|
± 0,52
|
|
25
|
|
|
Примечание - Размеры, заключенные в скобки, применять не рекомендуется
|
Рисунок 17
4.4.24 Для изделий массой до 100 г допускается приводить массу определенного количества изделий, а для изделий, изготовленных из разных материалов, может быть указана масса для основных материалов в соответствии с рисунками 18 - 20.
Таблица...
|
Длина, мм
|
Масса, кг, не более
|
|
70
|
1,25
|
|
100
|
1,50
|
Рисунок 18
Таблица...
|
Длина, мм
|
Масса 1000 шт., не более
|
|
12
|
0,780
|
|
15
|
1,275
|
Рисунок 19
Таблица...
|
Длина, мм
|
Масса, кг, не более
|
|
|
стали
|
латуни
|
|
128
|
1,20
|
1,30
|
|
15
|
1,50
|
1,64
|
Рисунок 20
Вместо указания в таблице массы изделий, изготовленных из разных материалов, допускается давать в примечании к таблице ссылку на поправочные коэффициенты.
Пример - Для определения массы винтов, изготовляемых из других материалов, значения массы, указанные в таблице, должны быть умножены на коэффициент:
- 1,080 - для латуни;
- 0,356 - для алюминиевого сплава.
4.4.25 При наличии в документе небольшого но объему цифрового материала его нецелесообразно оформлять таблицей, а следует давать текстом, располагая цифровые данные в виде колонок.
Пример
Предельные отклонения размеров профилей всех номеров:
по высоте . . . . . . . . |
±2,5 %
|
|
по ширине полки . . . . . .
|
±1,5 %
|
|
по толщине стенки . . . . . .
|
±0,3 %
|
|
по толщине полки . . . . . .
|
±0,3 %
|
4.5 Сноски
4.5.1 Если необходимо пояснить отдельные данные, приведенные в документе, то эти данные следует обозначать надстрочными знаками сноски.
Сноски в тексте располагают с абзацного отступа в конце страницы, на которой они обозначены, и отделяют от текста короткой тонкой горизонтальной линией с левой стороны, а к данным, расположенным в таблице, в конце таблицы над линией, обозначающей окончание таблицы.
4.5.2 Знак сноски ставят непосредственно после того слова, числа, символа, предложения, к которому дается пояснение, и перед текстом пояснения.
4.5.3 Знак сноски выполняют арабскими цифрами со скобкой и помещают на уровне верхнего обреза шрифта.
Пример - "... печатающее устройство2)..."
Нумерация сносок отдельная для каждой страницы.
Допускается вместо цифр выполнять сноски звездочками:* Применять более четырех звездочек не рекомендуется.
4.6 Примеры
4.6.1 Примеры могут быть приведены в тех случаях, когда они поясняют требования документа или способствуют более краткому их изложению.
4.6.2 Примеры размещают, нумеруют и оформляют так же, как и примечания (по 4.2.21).
5 ТРЕБОВАНИЯ К ТЕКСТОВЫМ ДОКУМЕНТАМ, СОДЕРЖАЩИМ ТЕКСТ, РАЗБИТЫЙ НА ГРАФЫ
5.1 Текстовые документы, содержащие текст, разбитый на графы, при необходимости, разделяют на разделы и подразделы, которые не нумеруют.
5.2 Наименования разделов и подразделов записывают в виде заголовков строчными буквами (кроме первой прописной) и подчеркивают.
Расположение заголовков для ведомостей установлено соответствующими стандартами ЕСКД и СПДС.
Ниже каждого заголовка должна быть оставлена одна свободная строка, выше - не менее одной свободной строки.
5.3 Примечания к разделам, подразделам или ко всему документу нумеруют в соответствии с 4.2.21.
5.4 В текстовых документах, имеющих строки, все записи проводят на каждой строке в один ряд.
Для облегчения внесения изменений:
- ведут запись в нижней части поля строки. Записи не должны сливаться с линиями, разграничивающими строки и графы;
- оставляют свободные строки между разделами и подразделами, а в документах большого объема - также внутри разделов и подразделов.
При составлении документов на опытные образцы дополнительно предусматривают свободные строки для записи документов и других данных, которые могут быть введены в документацию.
5.5 Если в графе документа записан текст в несколько строк, то в последующих графах записи начинают на уровне первой строки. Если в последующих графах запись размещается на одной строке, то при машинописном способе выполнения ее допускается помещать на уровне последней строки.
6. ТРЕБОВАНИЯ К ОФОРМЛЕНИЮ ТИТУЛЬНОГО ЛИСТА И ЛИСТА УТВЕРЖДЕНИЯ
6.1 Титульный лист является первым листом документа. Титульный лист, составленный на альбом документов, является первым листом описи этого альбома.
6.2 Лист утверждения (ЛУ) выпускают для документов, на которых по условиям их использования разработчик и (или) заказчик считает нецелесообразным приводить наименования организаций, должности и фамилии лиц, подписавших эти документы.
6.3 ЛУ выпускают на один документ, на несколько документов, на альбом документов или комплект документов. Допускается выпускать ЛУ на отдельную часть или несколько частей документа.
6.4 Обозначение ЛУ состоит из обозначения документа, к которому он относится, с добавлением через дефис кода ЛУ, например, ХХХХ.ХХХХХХ.ХХХТУ-ЛУ.
6.5 Если ЛУ выпускается на альбом документов, ему присваивают обозначение одного из этих документов с добавлением через дефис кода ЛУ и записывают в опись альбома первым.
6.6 Если ЛУ выпускается на несколько документов, ему присваивают обозначение одного из этих документов с добавлением через дефис кода ЛУ и записывают в спецификацию, в которую входит этот документ.
6.7 Если ЛУ выпускается на комплект документов, ему присваивают обозначение спецификации с добавлением кода ЛУ и записывают в спецификацию в раздел "Документация" первым.
6.8 При записи ЛУ в спецификацию следует указывать в графе "Примечание" - "Размножать по указанию".
Примечания
1 ЛУ размножают и рассылают при необходимости. Необходимость рассылки копий ЛУ определяет держатель подлинника ЛУ по согласованию с заказчиком.
2 В ведомость эксплуатационных документов, а также в ведомость документов для ремонта ЛУ не включают.
6.9 Титульный лист и ЛУ выполняют на листах формата А4 по ГОСТ 2.301 по форме, приведенной на рисунке 21:
поле 1 - наименование ведомства, в систему которого входит организация, разработавшая данный документ. Заполнение поля не обязательно
поле 2 - в левой части (для технических условий, эксплуатационных и ремонтных документов) - код по классификатору продукции (например, в Российской Федерации используют код по Общероссийскому классификатору продукции - OKП - шесть знаков), в правой части - специальные отметки. Заполняется только для титульного листа.
поле 3 - в левой части - гриф согласования, в правой части - гриф утверждения, выполняемые по ГОСТ 6.38, при необходимости;
поле 4 - наименование изделия (заглавными буквами) и документа, на который составляется титульный лист или ЛУ. Если титульный лист составляется для документов, разбитых на части, указывают номер части и ее наименование. Для альбома документов указывают номер альбома и общее количество альбомов, например:
СТАНОК ГОРИЗОНТАЛЬНЫЙ
МОДЕЛЬ 2620В
Габаритные чертежи
Альбом 2
Всего альбомов 5
поле 5 - слова "Лист утверждения"; поле заполняют только для ЛУ;
поле 6 - для титульного листа - обозначение документа (заглавными буквами), для альбома документов - обозначение описи этого альбома; для ЛУ - обозначение - ЛУ;
поле 7 - количество листов ЛУ. Поле не заполняют, если ЛУ выполнен на одном листе;
поле 8 - для титульного листа: подписи разработчиков документа, выполняемые согласно ГОСТ 6.38. Если документ подлежит согласованию с несколькими должностными лицами, то кроме подписей, указанных в поле 3, остальные подписи располагают в левой части поля 8.
Подписи, указанные в основной надписи заглавного листа, не должны повторяться на титульном листе и листе утверждения.
Для ЛУ: слева - гриф согласования (при необходимости), справа - подписи разработчиков и нормоконтролера по ГОСТ 6.38 в порядке, установленном на предприятии-разработчике.
При большом количестве подписей поле 8 увеличивают за счет выпуска второго листа. При этом на нем в верхнем правом углу указывают: для титульного листа - "Продолжение титульного листа", для ЛУ - "Продолжение листа утверждения" и далее наименование и обозначение документа. В этом случае в конце первого листа указывают: "Продолжение на следующем листе";
поле 9 - графы 19 - 23 по ГОСТ 2.104, размещаемые на поле для подшивки. Допускается располагать поле 9 на поле 10 по ГОСТ 2.004;
поле 10 - графы 14 - 18 по ГОСТ 2.104 (допускается размеры устанавливать произвольно; линии, разделяющие графы и строки, не наносят; наименование граф не указывают). Поле заполняют строками снизу вверх. Поле заполняется только для ЛУ.
Рисунок 21 - Схема расположения полей титульного листа и листа утверждения
6.10 В случае выпуска ЛУ на несколько документов в поле 8 ниже подписей указывают обозначение документов, на которые распространяется данный ЛУ.
6.11 При утверждении одного или нескольких документов листом утверждения на титульном листе в левом верхнем углу для текстовых документов или над основной надписью для графических документов делается надпись:
Утвержден
обозначение ЛУ
6.12 Изменение в ЛУ вносят по ГОСТ 2.503 и отражают в дополнительных графах по ГОСТ 2.104 или ГОСТ 2.004.
Примеры оформления титульного листа и листа утверждения приведены в приложениях В-Е.
7 ТРЕБОВАНИЯ К ОФОРМЛЕНИЮ ДОКУМЕНТОВ ДЛЯ ДВУСТОРОННЕГО КОПИРОВАНИЯ
7.1 Для двустороннего копирования листы документа выполняют сдвоенными с линией сгиба посередине. Основную надпись приводят на обеих половинах каждого листа (рисунок 22), за исключением дополнительных граф, которые помещают только на нечетной странице.

Рисунок 22
7.2 В основных надписях наименование графы "Лист" изменяют на "С.", а наименование "Листов" (на заглавных листах) на "Страниц".
7.3 Отдельные листы документа (например титульный лист или листы с приложениями графического содержания) издают без заполнения оборотной стороны копии; на таких листах указывают нечетные номера страниц, а соответствующие им четные номера страниц не указывают, но включают в общее количество страниц документа.
7.4 Для документов, выполненных способом двустороннего копирования, формат и количество листов указывают следующим образом:
- формат записывают в виде дроби, где в числителе указывают формат сдвоенных листов документа, а в знаменателе - формат копий, например, А3/А4;
- количество листов также записывают в виде дроби: в числителе - количество сдвоенных листов документа, а в знаменателе - количество страниц, например 45/с.90.
Приложение А
(справочное)
Пример выполнения текстового документа


Приложение Б
(справочное)
Пример заполнения поля 4 титульного листа на книгу

Приложение В
(справочное)
Пример заполнения листа утверждения на один документ

Приложение Г
(справочное)
Пример заполнения листа утверждения на несколько документов

Приложение Д
(справочное)
Пример заполнения титульного листа

Приложение Е
(справочное)
Пример заполнения титульного листа при наличии листа
утверждения

|